OEM Hermeticky uzavretý konektor SMPM Supplier

Ningbo Hanson Communication Technology Co., Ltd. Domov / Produkty / Hermeticky uzavretá séria / Hermeticky uzavretý konektor SMPM

Hermeticky uzavretý konektor SMPM

Popis:

Utesnený konektor SMPM (SubMiniature Push-on Micro) je miniaturizovaný RF konektor s úplným únikom, polovysunutím a svetelným otvorom, navrhnutý pre vysokofrekvenčné, kompaktné a ľahké aplikácie. Ide o nasadzovací konektor, ktorý sa bežne používa v komunikačných a elektronických zariadeniach, ktoré vyžadujú nízku hmotnosť, vysokú spoľahlivosť a malé rozmery. Konektory SMPM majú vysokú kvalitu prenosu signálu a môžu poskytnúť dobrý elektrický výkon.

Opýtajte sa

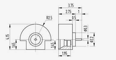
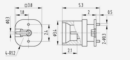
Základná štruktúra:
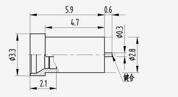
Vzduchom utesnený RF koaxiálny konektor typu SMPM-J sa skladá z troch častí: vonkajší vodič, sklenené médium a vnútorný vodič, základná štruktúra je znázornená na obrázku nižšie:

Hlavné technické parametre:

Elektrické charakteristiky
Charakteristická impedancia 50Ω Frekvenčný rozsah DC ~ 40 GHz
Dielektrické odolné napätie 500 Vrms Izolačný odpor 2000 mil Ω
Napätie VSWR <1,4 Strata vloženia ≤0,05 √f dB (GHz)
Materiálové a mechanické, environmentálne vlastnosti
Puzdro Lavable Alloy/Pozlátené Špendlíky Lavable zliatina / pozlátené
Izolačné médium sklo Odolnosť konektora Úplný únik 100-krát
Miera úniku ≤1,01325×10 Pa ·m³/s optický otvor 1000 krát
Prevádzková teplota -65 ℃ ~ 165 ℃

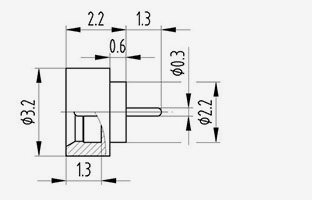
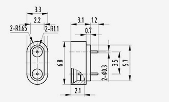
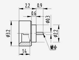
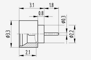
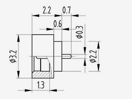
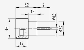
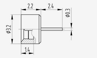
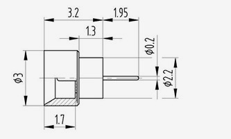
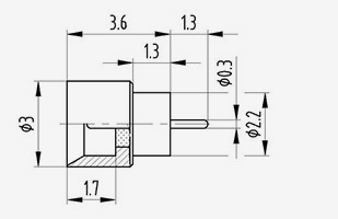
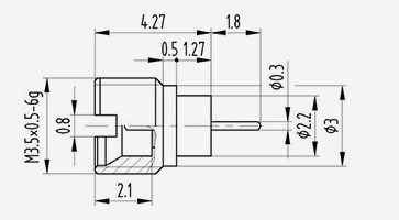
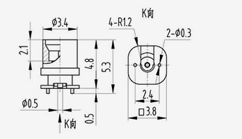
Veľkosť rozhrania:
Vzduchom utesnené RF koaxiálne konektory typu SMPM-J majú dve formy rozhrania: úplný únik a holý otvor. Pri pomenovaní modelu F označuje úplný únik a
S znamená svetelný otvor. Rozmery rozhrania sú rozdelené na štandardné rozmery rozhrania a krátke rozmery rozhrania, pričom oba sú vzájomne prepojiteľné so zástrčkami typu SMPM-K.
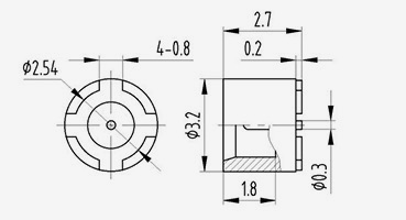
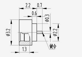
Štandardná veľkosť rozhrania:

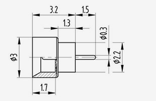
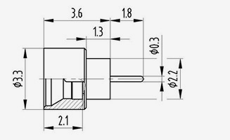
Krátke rozmery rozhrania:

SMPM SERIES
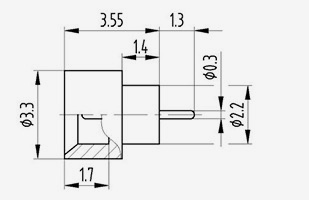
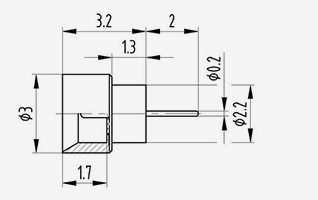
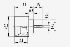
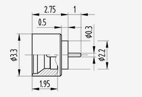
  • SMPM(M)-JYD3S
    SMPM(M)-JYD3S
    Model Poznámky
    SMPM(M)-JYD3S Hladký vývrt
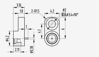
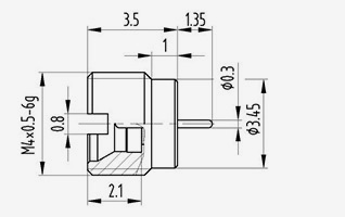
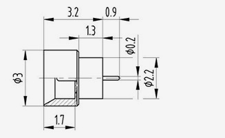
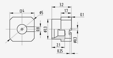
  • SMPM(M)-JYD5S
    SMPM(M)-JYD5S
    Model Poznámky
    SMPM(M)-JYD5S Hladký vývrt
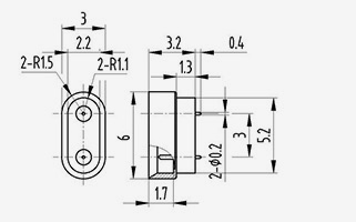
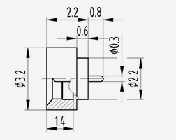
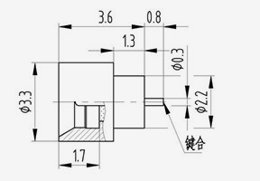
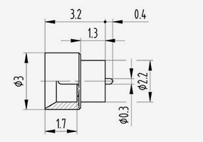
  • SMPM(M)-JYD8F
    SMPM(M)-JYD8F
    Model Poznámky
    SMPM(M)-JYD8F Úplné zadržanie
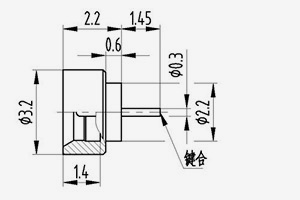
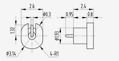
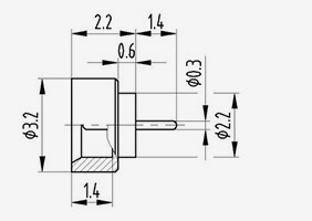
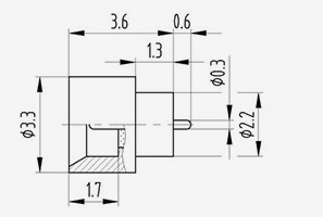
  • SMPM(M)-JYD10F
    SMPM(M)-JYD10F
    Model Poznámky
    SMPM(M)-JYD10F Úplné zadržanie
  • SMPM(M)-JYD12S
    SMPM(M)-JYD12S
    Model Poznámky
    SMPM(M)-JYD12S Hladký vývrt
  • SMPM(M)-JYD13F
    SMPM(M)-JYD13F
    Model Poznámky
    SMPM(M)-JYD13F Úplné zadržanie
  • SMPM(M)-JYD14F
    SMPM(M)-JYD14F
    Model Poznámky
    SMPM(M)-JYD14F Úplné zadržanie
  • SMPM(M)-JYD15F
    SMPM(M)-JYD15F
    Model Poznámky
    SMPM(M)-JYD15F Úplné zadržanie
  • SMPM(M)-JYD16S
    SMPM(M)-JYD16S
    Model Poznámky
    SMPM(M)-JYD16S Hladký vývrt
  • SMPM(M)-JYD17S
    SMPM(M)-JYD17S
    Model Poznámky
    SMPM(M)-JYD17S Hladký vývrt
  • SMPM(M)-JYD18S
    SMPM(M)-JYD18S
    Model Poznámky
    SMPM(M)-JYD18S Hladký vývrt
  • SMPM(M)-JYD19S
    SMPM(M)-JYD19S
    Model Poznámky
    SMPM(M)-JYD19S Hladký vývrt
  • SMPM(M)-JYD20F
    SMPM(M)-JYD20F
    Model Poznámky
    SMPM(M)-JYD20F Úplné zadržanie
  • SMPM(M)-JYD21S
    SMPM(M)-JYD21S
    Model Poznámky
    SMPM(M)-JYD21S Hladký vývrt
  • SMPM(M)-JYD22F
    SMPM(M)-JYD22F
    Model Poznámky
    SMPM(M)-JYD22F Úplné zadržanie
  • SMPM(M)-JYD23S
    SMPM(M)-JYD23S
    Model Poznámky
    SMPM(M)-JYD23S Hladký vývrt
  • SMPM(M)-JYD24F
    SMPM(M)-JYD24F
    Model Poznámky
    SMPM(M)-JYD24F Úplné zadržanie
  • SMPM(M)-JYD25F
    SMPM(M)-JYD25F
    Model Poznámky
    SMPM(M)-JYD25F Úplné zadržanie
  • SMPM(M)-JYD26F
    SMPM(M)-JYD26F
    Model Poznámky
    SMPM(M)-JYD26F Úplné zadržanie
  • SMPM(M)-JYD27S
    SMPM(M)-JYD27S
    Model Poznámky
    SMPM(M)-JYD27S Hladký vývrt
  • SMPM(M)-JYD28S
    SMPM(M)-JYD28S
    Model Poznámky
    SMPM(M)-JYD28S Hladký vývrt
  • SMPM(M)-JYD29F
    SMPM(M)-JYD29F
    Model Poznámky
    SMPM(M)-JYD29F Úplné zadržanie
  • SMPM(M)-JYD30S
    SMPM(M)-JYD30S
    Model Poznámky
    SMPM(M)-JYD30S Hladký vývrt
  • SMPM(M)-JYD31F
    SMPM(M)-JYD31F
    Model Poznámky
    SMPM(M)-JYD31F Úplné zadržanie
  • SMPM(M)-JYD32F
    SMPM(M)-JYD32F
    Model Poznámky
    SMPM(M)-JYD32F Úplné zadržanie
  • SMPM(M)-JYD33S
    SMPM(M)-JYD33S
    Model Poznámky
    SMPM(M)-JYD33S Hladký vývrt
  • SMPM(M)-JYD34S
    SMPM(M)-JYD34S
    Model Poznámky
    SMPM(M)-JYD34S Hladký vývrt
  • SMPM(M)-JYD35S
    SMPM(M)-JYD35S
    Model Poznámky
    SMPM(M)-JYD35S Hladký vývrt
  • SMPM(M)-JYD36S
    SMPM(M)-JYD36S
    Model Poznámky
    SMPM(M)-JYD36S Hladký vývrt
  • SMPM(M)-JYD37S
    SMPM(M)-JYD37S
    Model Poznámky
    SMPM(M)-JYD37S Hladký vývrt
  • SMPM(M)-JYD38S
    SMPM(M)-JYD38S
    Model Poznámky
    SMPM(M)-JYD38S Hladký vývrt
  • SMPM(M)-JYD39S
    SMPM(M)-JYD39S
    Model Poznámky
    SMPM(M)-JYD39S Hladký vývrt
  • SMPM(M)-JYD41S
    SMPM(M)-JYD41S
    Model Poznámky
    SMPM(M)-JYD41S Hladký vývrt
  • SMPM(M)-JYD42S
    SMPM(M)-JYD42S
    Model Poznámky
    SMPM(M)-JYD42S Hladký vývrt
  • SMPM(M)-JYD43F
    SMPM(M)-JYD43F
    Model Poznámky
    SMPM(M)-JYD43F Úplné zadržanie
  • SMPM(M)-JYD44F
    SMPM(M)-JYD44F
    Model Poznámky
    SMPM(M)-JYD44F Úplné zadržanie
  • SMPM(M)-JYD45S
    SMPM(M)-JYD45S
    Model Poznámky
    SMPM(M)-JYD45S Hladký vývrt
  • SMPM(M)-JYD46S
    SMPM(M)-JYD46S
    Model Poznámky
    SMPM(M)-JYD46S Hladký vývrt
  • SMPM(M)-JYD60F
    SMPM(M)-JYD60F
    Model Poznámky
    SMPM(M)-JYD60F Úplné zadržanie
  • SMPM(M)-JYD61F
    SMPM(M)-JYD61F
    Model Poznámky
    SMPM(M)-JYD61F Úplné zadržanie
  • SMPM(M)-JYD62F
    SMPM(M)-JYD62F
    Model Poznámky
    SMPM(M)-JYD62F Úplné zadržanie
  • SMPM(M)-JYD63S
    SMPM(M)-JYD63S
    Model Poznámky
    SMPM(M)-JYD63S Hladký vývrt
  • SMPM(M)-JYD64S
    SMPM(M)-JYD64S
    Model Poznámky
    SMPM(M)-JYD64S Hladký vývrt
  • SMPM(M)-JYD65S
    SMPM(M)-JYD65S
    Model Poznámky
    SMPM(M)-JYD65S Hladký vývrt
  • SMPM(M)-JYD66S
    SMPM(M)-JYD66S
    Model Poznámky
    SMPM(M)-JYD66S Hladký vývrt
  • SMPM(M)-JHD1S
    SMPM(M)-JHD1S
    Model Poznámky
    SMPM(M)-JHD1S Hladký vývrt
  • SMPM(M)-JHD2F
    SMPM(M)-JHD2F
    Model Poznámky
    SMPM(M)-JHD2F Úplné zadržanie
  • SMPM(M)-JHD3F
    SMPM(M)-JHD3F
    Model Poznámky
    SMPM(M)-JHD3F Úplné zadržanie
  • SMPM(M)-JHD4F
    SMPM(M)-JHD4F
    Model Poznámky
    SMPM(M)-JHD4F Úplné zadržanie
  • SMPM(M)-JHD6F
    SMPM(M)-JHD6F
    Model Poznámky
    SMPM(M)-JHD6F Úplné zadržanie
  • SMPM(M)-JHD21F
    SMPM(M)-JHD21F
    Model Poznámky
    SMPM(M)-JHD21F Úplné zadržanie
  • SMPM(M)-JFD1S
    SMPM(M)-JFD1S
    Model Poznámky
    SMPM(M)-JFD1S Hladký vývrt
  • SMPM(M)-JWSD1S
    SMPM(M)-JWSD1S
    Model Poznámky
    SMPM(M)-JWSD1S Hladký vývrt
  • SMPM(M)-JWSD8
    SMPM(M)-JWSD8
    Model Poznámky
    SMPM(M)-JWSD8
  • SMPM(M)-JWSD9S
    SMPM(M)-JWSD9S
    Model Poznámky
    SMPM(M)-JWSD9S Hladký vývrt
  • SMPM(M)-JWSD10S
    SMPM(M)-JWSD10S
    Model Poznámky
    SMPM(M)-JWSD10S Hladký vývrt
  • SMPM(M)-JSD1S
    SMPM(M)-JSD1S
    Model Poznámky
    SMPM(M)-JSD1S Hladký vývrt

BUĎTE V KONTAKTE

ODOSLAŤ
O nás
Ningbo Hanson Communication Technology Co., Ltd.
Ningbo Hanson Communication Technology Co., Ltd.
Ningbo Hanson Communication Technology Co., Ltd. is China Hermeticky uzavretý konektor SMPM Supplier and Custom Hermeticky uzavretý konektor SMPM Company. We are a manufacturer specializing in the production, processing, and trade of communication components, with more than 30 years of experience in RF coaxial connectors, adapters, and cable assemblies. Spoločnosť teraz vyvinula vlastnú obrábaciu dielňu, galvanickú dielňu, montážnu dielňu a skupinu stabilných a spoľahlivých dodávateľov. Cieľom spoločnosti je poskytovať zákazníkom vysokokvalitné produkty. Hlavné produkty sú RF koaxiálne konektory, adaptéry, vysokofrekvenčné káblové zostavy a nízko intermodulačné káblové zostavy. Okrem toho môže spoločnosť tiež poskytovať služby pre zákazníkov s prispôsobenými potrebami, aby splnili špeciálne požiadavky zákazníkov na produkty. Produkty spoločnosti sú široko používané v leteckom a kozmickom priemysle, komunikačných základňových staniciach, zdravotníckych zariadeniach a iných high-tech oblastiach. V čase podnikovej reformy, inovácií, rozvoja a rastu sa spoločnosť ujala iniciatívy vstúpiť do medzinárodného systému manažérstva kvality ISO9001 a neustále zlepšovala úroveň riadenia, aby novým a starým zákazníkom poskytovala uspokojivejšie produkty a služby.
Najnovšie správy
Hľadáte obchodnú príležitosť?

Požiadajte o telefonát ešte dnes