OEM Hermeticky uzavretý konektor SMP Supplier

Ningbo Hanson Communication Technology Co., Ltd. Domov / Produkty / Hermeticky uzavretá séria / Hermeticky uzavretý konektor SMP

Hermeticky uzavretý konektor SMP

Popis:

Hermetický RF koaxiálny konektor typu SMP-J má vlastnosti hermetického balenia a môže byť zabalený a privarený na plášť rúrky alebo panel zariadenia. Plášť a vnútorný vodič tohto produktu sú vyrobené z materiálu zliatiny Kovar a povrch môže byť pokovovaný tvrdým zlatom alebo mäkkým zlatom; izolačné médium je vyrobené zo skla spekaného pri vysokej teplote a dielektrická konštanta je približne 4. Má výhody malých rozmerov, nízkej hmotnosti, hermetického tesnenia, vysokej spoľahlivosti atď. Väčšinou sa používa v prípadoch s požiadavkami na tesnenie alebo so špeciálnymi požiadavkami na objem a hmotnosť produktu a je vhodný na intenzívnu inštaláciu.

Opýtajte sa

Základná štruktúra:
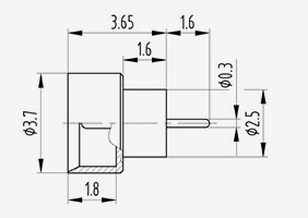
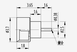
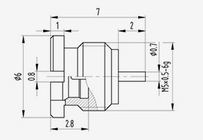
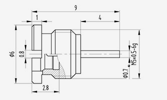
Vzduchom utesnený RF koaxiálny konektor typu SMP-J sa zvyčajne skladá z troch častí: vonkajšieho vodiča, skleneného média a vnútorného vodiča a základná štruktúra je znázornená na obrázku.

Keď je odkrytá časť vnútorného vodiča produktu spojená vložením alebo povrchovým zváraním, môže byť koncová plocha vnútorného vodiča vyrobená ako guľová hlava; keď je odkrytá časť vnútorného vodiča výrobku spojená lepením, môže byť čelná plocha vnútorného vodiča vyrobená ako plochá hlava alebo môže byť strana odkrytej časti vnútorného vodiča vyfrézovaná.

Hlavné technické parametre:

Elektrické charakteristiky
Charakteristická impedancia 50Ω Frekvenčný rozsah DC ~ 40 GHz
Dielektrické odolné napätie 500 Vrms Izolačný odpor 2000 mil Ω
Napätie VSWR <1,4 Strata vloženia ≤0,05 √f dB (GHz)
Materiálové a mechanické, environmentálne vlastnosti
Puzdro Lavable Alloy/Pozlátené Špendlíky Zástrčka Thorium Delegovateľné pokovovanie zliatinou
Izolačné médium sklo Odolnosť konektora Úplná zarážka ≥ 100-krát
Miera úniku ≤1,01325×10 Pa ·m³/s Obmedzená zarážka ≥ 500-krát
Prevádzková teplota -65 ℃ ~ 165 ℃ Hladký vývrt ≥ 1000-krát

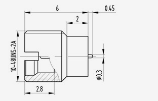
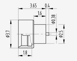
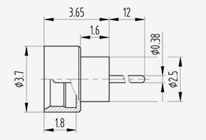
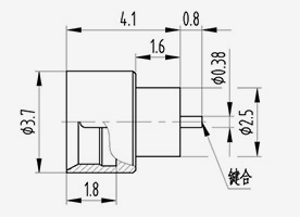
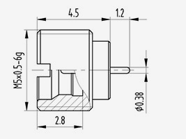
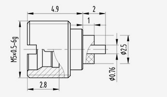
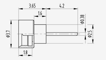
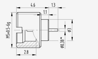
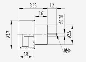
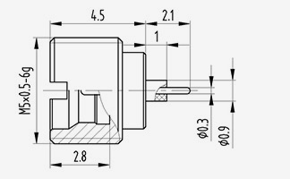
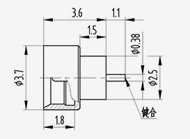
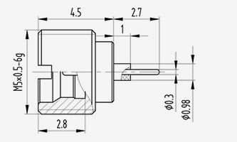
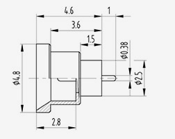
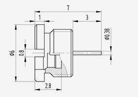
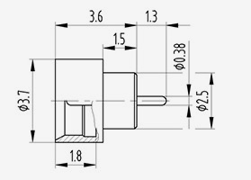
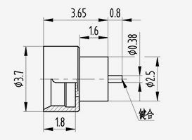
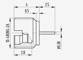
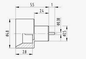
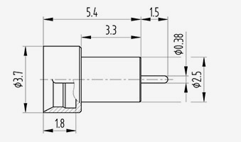
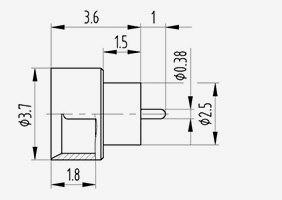
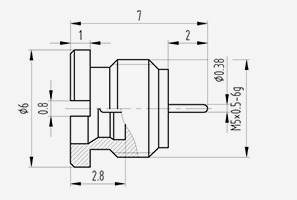
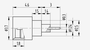
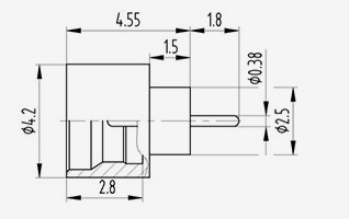
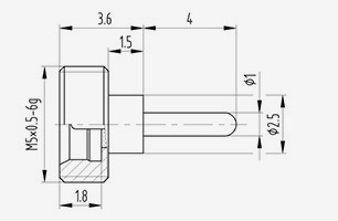
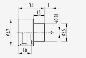
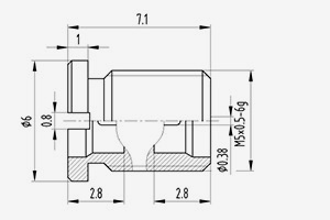
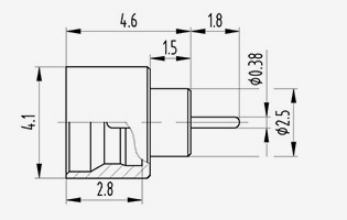
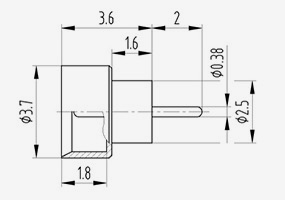
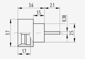
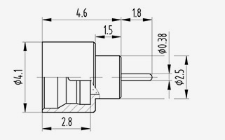
Rozmery rozhrania:
Vzduchom utesnené RF koaxiálne konektory typu SMP-J majú tri formy rozhrania: úplný únik, polovičný únik a svetelný otvor. Pri pomenovaní modelu F znamená úplný únik, L znamená polovičný únik a S znamená svetelnú dieru. Rozmery rozhrania sú rozdelené na štandardné rozmery rozhrania a krátke rozmery rozhrania, pričom oba sú vzájomne prepojiteľné so zástrčkami typu SMP-K.

Štandardná veľkosť rozhrania:

Krátke rozhranie: $ $

SMP SERIES
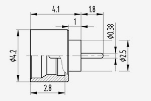
  • SMP(M)-JYD3S
    SMP(M)-JYD3S
    Model Poznámky
    SMP(M)-JYD3S Hladký vývrt
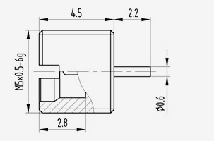
  • SMP(M)-JYD6L
    SMP(M)-JYD6L
    Model Poznámky
    SMP(M)-JYD6L Obmedzená zarážka
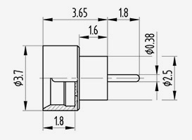
  • SMP(M)-JYD12L
    SMP(M)-JYD12L
    Model Poznámky
    SMP(M)-JYD12L Full Detent
  • SMP(M)-JYD13F
    SMP(M)-JYD13F
    Model Poznámky
    SMP(M)-JYD13F Úplné zadržanie
  • SMP(M)-JYD14L
    SMP(M)-JYD14L
    Model Poznámky
    SMP(M)-JYD14L Obmedzená zarážka
  • SMP(M)-JYD17S
    SMP(M)-JYD17S
    Model Poznámky
    SMP(M)-JYD17S Hladký vývrt
  • SMP(M)-JYD19L
    SMP(M)-JYD19L
    Model Poznámky
    SMP(M)-JYD19L Obmedzená zarážka
  • SMP(M)-JYD22S
    SMP(M)-JYD22S
    Model Poznámky
    SMP(M)-JYD22S Obmedzená zarážka
  • SMP(M)-JYD23S
    SMP(M)-JYD23S
    Model Poznámky
    SMP(M)-JYD23S Obmedzená zarážka
  • SMP(M)-JYD24S
    SMP(M)-JYD24S
    Model Poznámky
    SMP(M)-JYD24S Obmedzená zarážka
  • SMP(M)-JYD25L
    SMP(M)-JYD25L
    Model Poznámky
    SMP(M)-JYD25L Obmedzená zarážka
  • SMP(M)-JYD26L
    SMP(M)-JYD26L
    Model Poznámky
    SMP(M)-JYD26L Obmedzená zarážka
  • SMP(M)-JYD27L
    SMP(M)-JYD27L
    Model Poznámky
    SMP(M)-JYD27L Obmedzená zarážka
  • SMP(M)-JYD28L
    SMP(M)-JYD28L
    Model Poznámky
    SMP(M)-JYD28L Obmedzená zarážka
  • SMP(M)-JYD29L
    SMP(M)-JYD29L
    Model Poznámky
    SMP(M)-JYD29L Obmedzená zarážka
  • SMP(M)-JYD30L
    SMP(M)-JYD30L
    Model Poznámky
    SMP(M)-JYD30L Obmedzená zarážka
  • SMP(M)-JYD31L
    SMP(M)-JYD31L
    Model Poznámky
    SMP(M)-JYD31L Obmedzená zarážka
  • SMP(M)-JYD32F
    SMP(M)-JYD32F
    Model Poznámky
    SMP(M)-JYD32F Obmedzená zarážka
  • SMP(M)-JYD33L
    SMP(M)-JYD33L
    Model Poznámky
    SMP(M)-JYD33L Obmedzená zarážka
  • SMP(M)-JYD34L
    SMP(M)-JYD34L
    Model Poznámky
    SMP(M)-JYD34L Obmedzená zarážka
  • SMP(M)-JYD35L
    SMP(M)-JYD35L
    Model Poznámky
    SMP(M)-JYD35L Obmedzená zarážka
  • SMP(M)-JYD37L
    SMP(M)-JYD37L
    Model Poznámky
    SMP(M)-JYD37L Obmedzená zarážka
  • SMP(M)-JYD41L
    SMP(M)-JYD41L
    Model Poznámky
    SMP(M)-JYD41L Obmedzená zarážka
  • SMP(M)-JYD42S
    SMP(M)-JYD42S
    Model Poznámky
    SMP(M)-JYD42S Obmedzená zarážka
  • SMP(M)-JYD43L
    SMP(M)-JYD43L
    Model Poznámky
    SMP(M)-JYD43L Obmedzená zarážka
  • SMP(M)-JYD44L
    SMP(M)-JYD44L
    Model Poznámky
    SMP(M)-JYD44L Obmedzená zarážka
  • SMP(M)-JYD45L
    SMP(M)-JYD45L
    Model Poznámky
    SMP(M)-JYD45L Obmedzená zarážka
  • SMP(M)-JYD46L
    SMP(M)-JYD46L
    Model Poznámky
    SMP(M)-JYD46L Obmedzená zarážka
  • SMP(M)-JYD47L
    SMP(M)-JYD47L
    Model Poznámky
    SMP(M)-JYD47L Obmedzená zarážka
  • SMP(M)-JYD48L
    SMP(M)-JYD48L
    Model Poznámky
    SMP(M)-JYD48L Obmedzená zarážka
  • SMP(M)-JYD49L
    SMP(M)-JYD49L
    Model Poznámky
    SMP(M)-JYD49L Obmedzená zarážka
  • SMP(M)-JYD50S
    SMP(M)-JYD50S
    Model Poznámky
    SMP(M)-JYD50S Hladký vývrt
  • SMP(M)-JYD51L
    SMP(M)-JYD51L
    Model Poznámky
    SMP(M)-JYD51L Obmedzená zarážka
  • SMP(M)-JYD52S
    SMP(M)-JYD52S
    Model Poznámky
    SMP(M)-JYD52S Hladký vývrt
  • SMP(M)-JYD53L
    SMP(M)-JYD53L
    Model Poznámky
    SMP(M)-JYD53L Obmedzená zarážka
  • SMP(M)-JYD54S
    SMP(M)-JYD54S
    Model Poznámky
    SMP(M)-JYD54S Hladký vývrt
  • SMP(M)-JYD55L
    SMP(M)-JYD55L
    Model Poznámky
    SMP(M)-JYD55L Obmedzená zarážka
  • SMP(M)-JYD57S
    SMP(M)-JYD57S
    Model Poznámky
    SMP(M)-JYD57S Hladký vývrt
  • SMP(M)-JYD80L
    SMP(M)-JYD80L
    Model Poznámky
    SMP(M)-JYD80L Obmedzená zarážka
  • SMP(M)-JYD81L
    SMP(M)-JYD81L
    Model Poznámky
    SMP(M)-JYD81L Obmedzená zarážka
  • SMP(M)-JYD82L
    SMP(M)-JYD82L
    Model Poznámky
    SMP(M)-JYD82L Obmedzená zarážka
  • SMP(M)-JYD83F
    SMP(M)-JYD83F
    Model Poznámky
    SMP(M)-JYD83F Úplné zadržanie
  • SMP(M)-JYD84S
    SMP(M)-JYD84S
    Model Poznámky
    SMP(M)-JYD84S Hladký vývrt
  • SMP(M)-JYD85S
    SMP(M)-JYD85S
    Model Poznámky
    SMP(M)-JYD85S Hladký vývrt
  • SMP(M)-JYD86L
    SMP(M)-JYD86L
    Model Poznámky
    SMP(M)-JYD86L Obmedzená zarážka
  • SMP(M)-JYD87S
    SMP(M)-JYD87S
    Model Poznámky
    SMP(M)-JYD87S Hladký vývrt
  • SMP(M)-JYD88L
    SMP(M)-JYD88L
    Model Poznámky
    SMP(M)-JYD88L Obmedzená zarážka
  • SMP(M)-JYD89L
    SMP(M)-JYD89L
    Model Poznámky
    SMP(M)-JYD89L Obmedzená zarážka
  • SMP(M)-JYD90L
    SMP(M)-JYD90L
    Model Poznámky
    SMP(M)-JYD90L Obmedzená zarážka
  • SMP(M)-JYD91L
    SMP(M)-JYD91L
    Model Poznámky
    SMP(M)-JYD91L Obmedzená zarážka
  • SMP(M)-JYD92L
    SMP(M)-JYD92L
    Model Poznámky
    SMP(M)-JYD92L Obmedzená zarážka
  • SMP(M)-JYD93S
    SMP(M)-JYD93S
    Model Poznámky
    SMP(M)-JYD93S Hladký vývrt
  • SMP(M)-JYD94L
    SMP(M)-JYD94L
    Model Poznámky
    SMP(M)-JYD94L Obmedzená zarážka
  • SMP(M)-JYD95L
    SMP(M)-JYD95L
    Model Poznámky
    SMP(M)-JYD95L Obmedzená zarážka
  • SMP(M)-JYD96L
    SMP(M)-JYD96L
    Model Poznámky
    SMP(M)-JYD96L Obmedzená zarážka
  • SMP(M)-JYD97S
    SMP(M)-JYD97S
    Model Poznámky
    SMP(M)-JYD97S Hladký vývrt
  • SMP(M)-JYJ1S
    SMP(M)-JYJ1S
    Model Poznámky
    SMP(M)-JYJ1S Hladký vývrt

BUĎTE V KONTAKTE

ODOSLAŤ
O nás
Ningbo Hanson Communication Technology Co., Ltd.
Ningbo Hanson Communication Technology Co., Ltd.
Ningbo Hanson Communication Technology Co., Ltd. is China Hermeticky uzavretý konektor SMP Supplier and Custom Hermeticky uzavretý konektor SMP Company. We are a manufacturer specializing in the production, processing, and trade of communication components, with more than 30 years of experience in RF coaxial connectors, adapters, and cable assemblies. Spoločnosť teraz vyvinula vlastnú obrábaciu dielňu, galvanickú dielňu, montážnu dielňu a skupinu stabilných a spoľahlivých dodávateľov. Cieľom spoločnosti je poskytovať zákazníkom vysokokvalitné produkty. Hlavné produkty sú RF koaxiálne konektory, adaptéry, vysokofrekvenčné káblové zostavy a nízko intermodulačné káblové zostavy. Okrem toho môže spoločnosť tiež poskytovať služby pre zákazníkov s prispôsobenými potrebami, aby splnili špeciálne požiadavky zákazníkov na produkty. Produkty spoločnosti sú široko používané v leteckom a kozmickom priemysle, komunikačných základňových staniciach, zdravotníckych zariadeniach a iných high-tech oblastiach. V čase podnikovej reformy, inovácií, rozvoja a rastu sa spoločnosť ujala iniciatívy vstúpiť do medzinárodného systému manažérstva kvality ISO9001 a neustále zlepšovala úroveň riadenia, aby novým a starým zákazníkom poskytovala uspokojivejšie produkty a služby.
Najnovšie správy
Hľadáte obchodnú príležitosť?

Požiadajte o telefonát ešte dnes