OEM N type RF Coaxial Connector Supplier

Ningbo Hanson Communication Technology Co., Ltd. Domov / Produkty / RF koaxiálny konektor / RF koaxiálny konektor typu N

RF koaxiálny konektor typu N

Popis:

RF koaxiálny konektor série N je RF koaxiálny konektor so závitovým spojovacím mechanizmom vyvinutý a vyrobený v súlade s americkým vojenským štandardom MIL-C-39012. Má vlastnosti širokej šírky pásma, dobrej odolnosti proti nárazom, vysokej spoľahlivosti a vynikajúceho výkonu a je široko používaný v mikrovlnných komunikačných a meracích systémoch. Charakteristická impedancia RF koaxiálneho konektora série N vyrábaného našou továrňou je rozdelená do dvoch typov: 50Ω a 75Ω.

Parameter:

Hlavné technické špecifikácie:
◆ Charakteristická impedancia: 50Ω/75Ω
◆ Frekvenčný rozsah: DC-18GHz (50Ω)/DC-3GHz (75Ω)
◆ Izolačný odpor: ≥5000MΩ
◆ Dielektrické výdržné napätie: 1500V (rms)
◆ Pomer stojatých vĺn napätia (VSWR): ≤1,30
◆ Párovacie cykly: 500 krát

Opýtajte sa

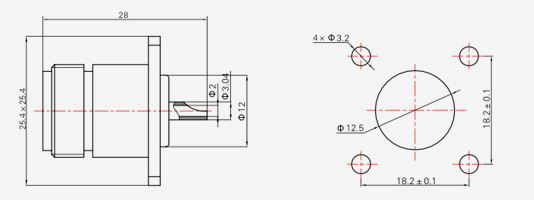
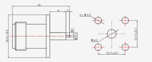
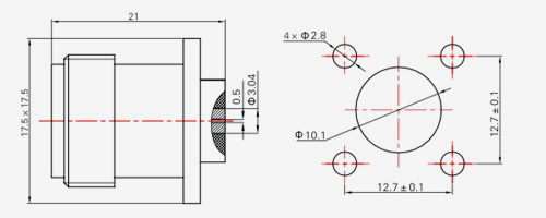
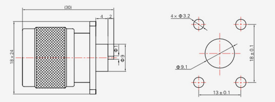
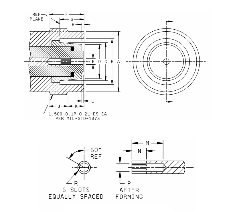
Dim
Ltr
Palce (mm)
Min. Max.
A 0,336 (8,53) 0,344 (8,74)
B 0,316 (8,03) 0,320 (8,13)
C 0,356 (9,04) 0,362 (9,19)
D 0,187 (4,75) 0,207 (5,26)
E ------- 0,627 (15,93)
F 0,119 (3,02) 0,124 (3,15)
G 0,422 (10,72) -------
H 0,172 (4,37) 0,220 (5,59)
J 0,047 (1,19) 0,077 (1,96)
K 0,047 (1,19) 0,077 (1,96)
L 0,187 (4,75) 0,207 (5,26)
N 0,210 (5,33) -------

Poznámky:
1. Toto rozhranie musí spĺňať požiadavky na rozchod špecifikované v
MIL-PRF-39o12/2.
2. Vôľa pre maticu spojky združeného konektora.
3. Pre splnenie VSwR, párovacích charakteristík, prechodového odporu a
odolnosť konektora pri spojení s kolíkom s priemerom a.063/.066.

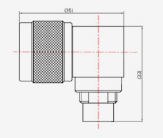
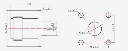
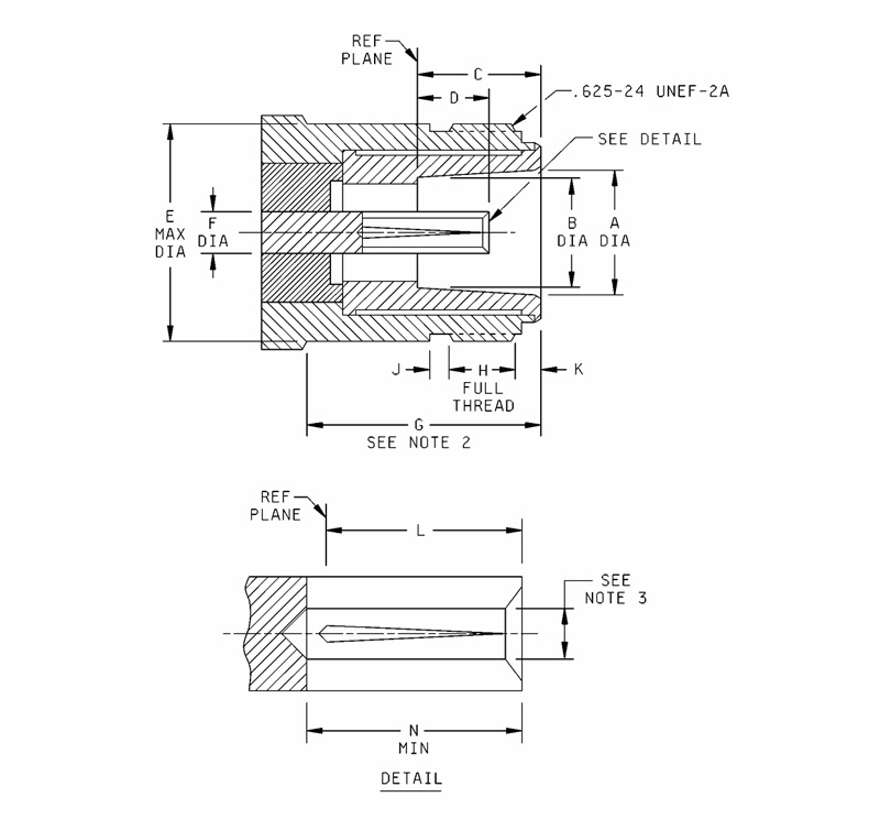
Dim
Ltr
Palce (mm)
Min. Max.
A 1,740 (44,20) 1,760 (44,70)
B 1,537 (39,04) 1,543 (39,19)
C 1,060 (26,92) 1,064 (27,03)
D 0,964 (24,49) 0,974 (24,74)
E 0,194 (4,93) 0,196 (4,98)
F 0,836 (21,23) 0,856 (21,74)
G 0,372 (9,45) 0,392 (9,96)
H 0,271 (6,88) 0,291 (7,39)
J 551 (14,00) 0,571 (14,50)
K 0,370 (9,40) 0,380 (9,65)
L 0,001 (0,03) 0,013 (0,33)

Poznámky:
1. Toto rozhranie musí spĺňať požiadavky na rozchod špecifikované v MIL-PRF-39012/44.

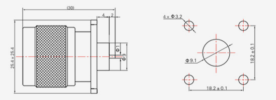
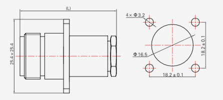
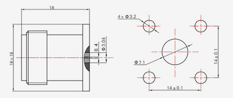
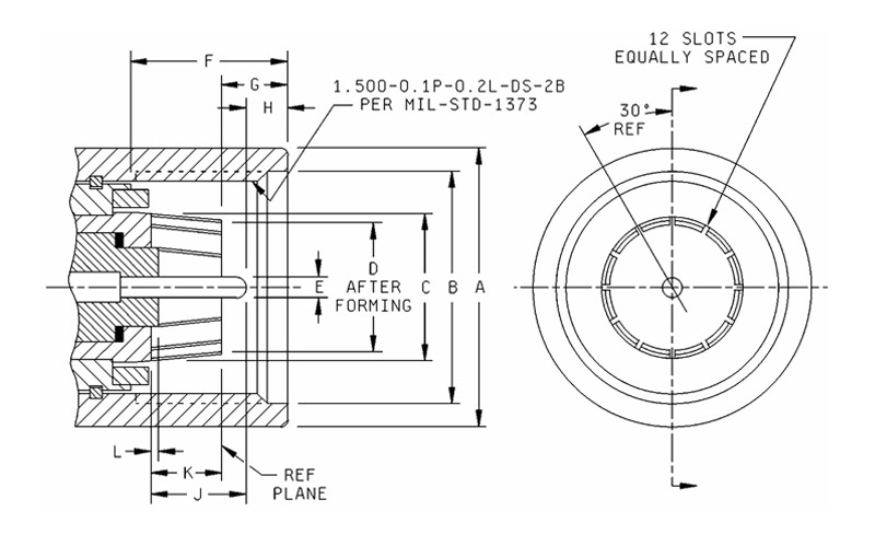
Dim
Ltr
Palce (mm)
Min. Max.
A 1,404 (35,66) 1,408 (35,76)
B 1 100 (27,94) 1,120 (28,45)
C 1,998 (50,75) 1,002 (25,45)
D 936 (23,77) 0,940 (23,88)
E 0,191 (4,85) 0,195 (4,95)
F 0,763 (19,38) 0,783 (19,89)
G 0,465 (11,81) 0,485 (12,32)
H 0,062 (1,57) Referencia
J 0,302 (7,67) 0,322 (8,18)
K 0,302 (7,67) 0,322 (8,18)
L 0,001 (0,03) 0,013 (0,33)
M 0,490 (12,45) 0,510 (12,95)
N 0,240 (6,10) 260 (6,60)
P 0,187 (4,75) 0,189 (4,80)
R 0,014 (0,36) 0,018 (0,46)

Poznámky:
1. Toto rozhranie musí spĺňať požiadavky na rozchod špecifikované v MIL-PRF-39012/45.

N SERIES
  • N-JB2
    N-JB2
    Model Typ kábla d
    N-JB2 SFT-50-2,670-086 Φ2.2
    N-JB3 SFT-50-3,670-141 Ф3,6 $ $
  • N-JB3-1
    N-JB3-1
    Model Typ kábla L
    N-JB3-1 SFT-50-3,670-141 17.6
    N-JB3A-1 SFT-50-3,670-141 16.5
  • N-KB3
    N-KB3
    Model Typ kábla
    N-KB3 SFT-50-3,670-141
  • N-KFB3
    N-KFB3
    Model Typ kábla
    N-KFB3 SFT-50-3,670-141
  • N-KYB3
    N-KYB3
    Model Typ kábla
    N-KYB3 SFT-50-3,670-141
  • N-J3
    N-J3
    Model Typ kábla
    N-J3 SYV-50-2-1,RG316
    N-J4 SYV-50-2-2
  • N-J5
    N-J5
    Model Typ kábla L
    N-J5 SYV-50-3,RG142, SFCJ-50-3-51 33
    N-J5C SYV-50-3,RG142, SFCJ-50-3-51 33
    N-J7 SYV-50-5-1, SFCJ-50-5-51 36
    N-J10 SYV-50-7-1, SYV-50-7-2,SFCJ-50-7-51 36
  • N-J5.3
    N-J5.3
    Model Typ kábla
    N-J5.3 32 055 205, GNB 415 $ $
  • N-J311
    N-J311
    Model Typ kábla
    N-J311 FFB311A
  • N-J10-1
    N-J10-1
    Model Typ kábla
    N-J10-1 SFCJ-50-7-51
  • N-JW5
    N-JW5
    Model Typ kábla
    N-JW5 SFCJ-50-3-51,SYV-50-3-4,RG142
    N-JW7 SFCJ-50-5-51,SYV-50-5-1
    N-JW10 SFCJ-50-7-51,SYV-50-7-2
  • N-JW8A
    N-JW8A
    Model Typ kábla
    N-JW8A FFB311A,SYV-50-5
    N-JW12A SYV-75-3
    N-JW13A SYV-75-5
  • N-K3
    N-K3
    Model Typ kábla
    N-K3 SYV-50-2-1,RG316
  • N-K5
    N-K5
    Model Typ kábla L
    N-K5 SYV-50-3,RG142, SFCJ-50-3-51 36
    N-K7 SYV-50-5-1,SFCJ-50-5-51 38
    N-K10 SYV-50-7-1,SFCJ-50-7-51 38
  • N-KF5
    N-KF5
    Model Typ kábla L
    N-KF5 SYV-50-3,RG142,SFCJ-50-3-51 36
    N-KF7 SYV-50-5-1,SFCJ-50-5-51 38
    N-KF10 SYV-50-7-1,SFCJ-50-7-51 38
  • N-KF3A
    N-KF3A
    Model Typ kábla L
    N-KF3A SYV-50-2-1,RG316 33
    N-KF5A SYV-50-3-4,RG142 42
  • N-KY3Y
    N-KY3Y
    Model Typ kábla
    N-KY3Y SYV-50-2-1,RG316
  • N-KFD
    N-KFD
    Model L L1 L2
    KFD 26 4 2
    KFD2 31 6 5
    KFD15 30 6 4
    KFD16 28.5 6 2.5
    KFD17 28 6 2
    KFD18 29 5 4
    KFD19 29 4 5
    KFD 20 $ $ 33 4 9
  • N-KF
    N-KF
  • N-JFD1
    N-JFD1
  • N-JFD2
    N-JFD2
  • N-JFD3
    N-JFD3
  • N-JFD23
    N-JFD23
  • N-KFD1
    N-KFD1
  • N-KFD7
    N-KFD7
  • N-KFD11
    N-KFD11
  • N-KFD50
    N-KFD50
  • N-KFD-Z
    N-KFD-Z
  • N-KFD9
    N-KFD9
  • N-KFD14
    N-KFD14

BUĎTE V KONTAKTE

ODOSLAŤ
O nás
Ningbo Hanson Communication Technology Co., Ltd.
Ningbo Hanson Communication Technology Co., Ltd.
Ningbo Hanson Communication Technology Co., Ltd. is China N type RF Coaxial Connector Supplier and Custom N type RF Coaxial Connector Company. We are a manufacturer specializing in the production, processing, and trade of communication components, with more than 30 years of experience in RF coaxial connectors, adapters, and cable assemblies. Spoločnosť teraz vyvinula vlastnú obrábaciu dielňu, galvanickú dielňu, montážnu dielňu a skupinu stabilných a spoľahlivých dodávateľov. Cieľom spoločnosti je poskytovať zákazníkom vysokokvalitné produkty. Hlavné produkty sú RF koaxiálne konektory, adaptéry, vysokofrekvenčné káblové zostavy a nízko intermodulačné káblové zostavy. Okrem toho môže spoločnosť tiež poskytovať služby pre zákazníkov s prispôsobenými potrebami, aby splnili špeciálne požiadavky zákazníkov na produkty. Produkty spoločnosti sú široko používané v leteckom a kozmickom priemysle, komunikačných základňových staniciach, zdravotníckych zariadeniach a iných high-tech oblastiach. V čase podnikovej reformy, inovácií, rozvoja a rastu sa spoločnosť ujala iniciatívy vstúpiť do medzinárodného systému manažérstva kvality ISO9001 a neustále zlepšovala úroveň riadenia, aby novým a starým zákazníkom poskytovala uspokojivejšie produkty a služby.
Najnovšie správy
Hľadáte obchodnú príležitosť?

Požiadajte o telefonát ešte dnes