OEM TNC konektor Supplier

TNC konektor

Popis:

RF koaxiálne konektory série TNC sú vyvinuté a vyrobené podľa amerického vojenského štandardu MIL-C-39012. Majú vlastnosti širokej šírky pásma, spoľahlivého pripojenia a dobrej odolnosti proti nárazom. Sú vhodné pre konektory a RF káble pre vstup a výstup signálu rádiových zariadení, elektronických prístrojov, rôznych laserových komponentov.

Parameter:

Hlavné technické špecifikácie:
◆ Charakteristická impedancia: 50Ω
◆ Frekvenčný rozsah: DC-18GHz
◆ Izolačný odpor: ≥5000MΩ
◆ Dielektrické výdržné napätie: 1500V (rms)
◆ Pomer stojatých vĺn napätia (VSWR): ≤1,30
◆ Párovacie cykly: 500 krát

Opýtajte sa

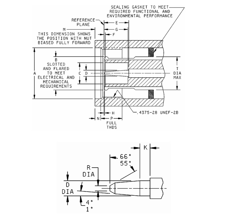
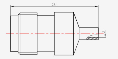
Dim
Ltr
Milimetre (palce)
Minimum Maximálne
A 0,378 (9,60) 0,381 (9,68)
B 0,346 (8,79) 0,356 (9,04)
C 0,327 (8,31) 0,333 (8,46)
D 0,319 (8,10) 0,321 (8,15)
E ------- 0,186 (4,72)
F 0,068 (1,73) 0,088 (2,24)
G 0,327 (8,31) 0,335 (8,51)
H 0,187 (4,75) -------
J 0,186 (4,72) 0,206 (5,23)
K ------- 0,006 (0,15)
L 0,195 (4,95) -------
M 0,081 (2,06) 0,087 (2,21)
N ------- 0,256 (6,50)
P 0,188 (4,78) 0,208 (5,28)
R 0,414 (10,52) -------
T 0,015 (0,38) 0,030 (0,76)

Poznámky:
1. Toto rozhranie musí spĺňať požiadavky na rozchod špecifikované v
MIL-PRF-39012/28.
2. Vôľa pre maticu spojky združeného konektora.
3. Rozmer sa vzťahuje na túto časť (ak je to potrebné) dielektrika
ktorý vyčnieva za kov
rameno (alebo referenčná rovina) podľa rozmeru K.
4. ID na splnenie VSwR pri spojení s kolíkom s priemerom 0,052 palca (1,32 mm)/0,054 (1,37 mm).

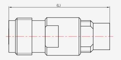
Dim
Ltr
Milimetre (palce)
Minimum Maximálne
A 0,440 (11,18) -------
B Test meradla
C 0,190 (4,83) -------
D 0,052 (1,32) 0,054 (1,37)
E 0,210 (5,33) 0,230 (5,84)
F 0,006 (0,15) -------
G 0,208 (5,28) 0,228 (5,79)
H 0,003 (0,08) 0,040 (1,02)
K 0,078 (1,98) -------
M ------- 0,078 (1,98)
N 0,063 (1,60) -------
P 0,156 (3,96) -------
R ------- 0,025 (0,64)
T ------- 0,322 (8,18)

Poznámky:
1. Toto rozhranie musí spĺňať požiadavky na rozchod špecifikované v MIL-PRF-39012/26.

TNC $ $ SERIES
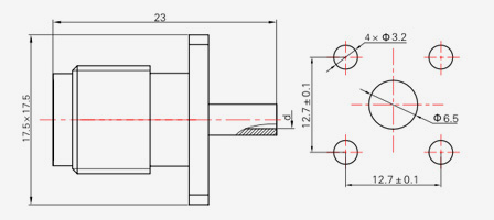
  • TNC-KF3A
    TNC-KF3A
    Model Typ kábla
    TNC-KF3A SYV-50-2-1,RG316
    TNC-KF5A SYV-50-3,RG142,SFCJ-50-3-51
  • TNC-KF3A-1
    TNC-KF3A-1
    Model Typ kábla
    TNC-KF3A-1 SYV-50-2-1,RG316
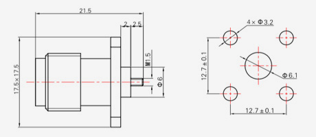
  • TNC-JB2
    TNC-JB2
    Model Typ kábla d
    TNC-JB2 SFT-50-2,670-086 Φ2.2
    TNC-JB3 SFT-50-3,670-141 Φ3,6
  • TNC-JWB2
    TNC-JWB2
    Model Typ kábla d
    TNC-JWB2 SFT-50-2,670-086 Φ2.2
    TNC-JWB3 SFT-50-3,670-141 Φ3,6
  • TNC-KB2
    TNC-KB2
    Model Typ kábla d
    TNC-KB2 SFT-50-2,670-086 Φ2.2
    TNC-KB3 SFT-50-3,670-141 Φ3,6
  • TNC-KFB2
    TNC-KFB2
    Model Typ kábla d
    TNC-KFB2 SFT-50-2,670-086 Φ2.2
    TNC-KFB3 SFT-50-3,670-141 Φ3,6
  • TNC-KFB2-1
    TNC-KFB2-1
    Model Typ kábla d
    TNC-KFB2-1 SFT-50-2,670-086 Φ2.2
    TNC-KFB3-1 SFT-50-3,670-141 Φ3,6
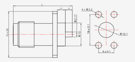
  • TNC-KFD2
    TNC-KFD2
    Model L L1
    KFD2 27 3.5
    KFD 3 $ $ 22 2
  • TNC-J3A
    TNC-J3A
    Model Typ kábla
    TNC-J3A SYV-50-2-1,RG316
    TNC-J5A SYV-50-3-4,RG142, SFCJ-50-3-51
    TNC-J5AC
  • TNC-J4
    TNC-J4
    Model Typ kábla L
    TNC-J4 SYV-50-2-2 31
    TNC-J5 SYV-50-3-4, SFCJ-50-3-51,RG316 31
    TNC-(K)5
    TNC-J5C
    TNC-J7 SYV-50-5-1, SFCJ-50-5-51 36
    TNC-J7C
    TNC-J10 SYV-50-7-1,SYV-50-7-2, SFCJ-50-7-51 36
    TNC-J10C
  • TNC-JW5
    TNC-JW5
    Model Typ kábla
    TNC-JW5 SYV-50-3-4,SFCJ-50-3-51,RG142
    TNC-JW7 SYV-50-5-1,SFCJ-50-5-51
    TNC-JW10 SYV-50-7-2,SFCJ-50-7-51
  • TNC-JW5-1
    TNC-JW5-1
    Model Typ kábla
    TNC-JW5-1 SYV-50-3-4,SFCJ-50-3-51,RG142
  • TNC-K5
    TNC-K5
    Model Typ kábla L
    TNC-K5 SYV-50-3-4, SFCJ-50-3-51,RG142 31
    TNC-(J)5
    TNC-K7 SYV-50-5-1, SFCJ-50-5-51 33
    TNC-K10 SYV-50-7-1, SYV-50-7-2,SFCJ-50-7-51 33
  • TNC-KFD1
    TNC-KFD1
  • TNC-KFD4
    TNC-KFD4

BUĎTE V KONTAKTE

ODOSLAŤ
O nás
Ningbo Hanson Communication Technology Co., Ltd.
Ningbo Hanson Communication Technology Co., Ltd.
Ningbo Hanson Communication Technology Co., Ltd. is China TNC konektor Supplier and Custom TNC konektor Company. We are a manufacturer specializing in the production, processing, and trade of communication components, with more than 30 years of experience in RF coaxial connectors, adapters, and cable assemblies. Spoločnosť teraz vyvinula vlastnú obrábaciu dielňu, galvanickú dielňu, montážnu dielňu a skupinu stabilných a spoľahlivých dodávateľov. Cieľom spoločnosti je poskytovať zákazníkom vysokokvalitné produkty. Hlavné produkty sú RF koaxiálne konektory, adaptéry, vysokofrekvenčné káblové zostavy a nízko intermodulačné káblové zostavy. Okrem toho môže spoločnosť tiež poskytovať služby pre zákazníkov s prispôsobenými potrebami, aby splnili špeciálne požiadavky zákazníkov na produkty. Produkty spoločnosti sú široko používané v leteckom a kozmickom priemysle, komunikačných základňových staniciach, zdravotníckych zariadeniach a iných high-tech oblastiach. V čase podnikovej reformy, inovácií, rozvoja a rastu sa spoločnosť ujala iniciatívy vstúpiť do medzinárodného systému manažérstva kvality ISO9001 a neustále zlepšovala úroveň riadenia, aby novým a starým zákazníkom poskytovala uspokojivejšie produkty a služby.
Najnovšie správy
Hľadáte obchodnú príležitosť?

Požiadajte o telefonát ešte dnes